

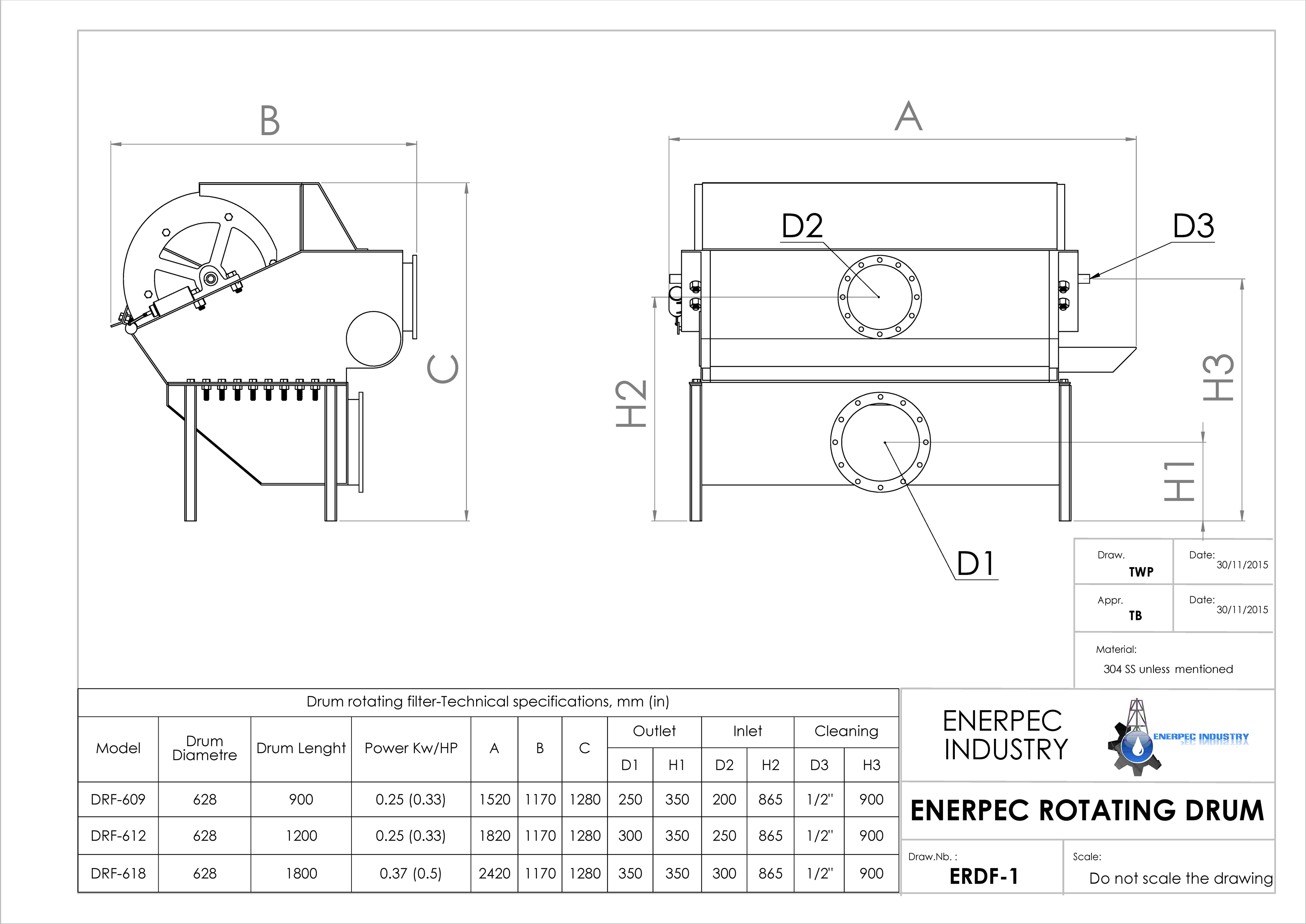
ENERPEC Drum rotating filter is an industrial water pre-treatment equipment in the process of removing solid-liquid waste through a filter drum formed by a wire wrapped screen depending on the type and amount of solids being treated.
The dirty water comes from the inlet flange uniformly distributed by a stainless steel sheet preventing the water from hitting directly the drum and making the flow unidirectional.
The dust is trapped in the screen periphery while the clean water is canalized in a tank to be evacuated later. At the same time, the blade snatches remain out of the screen and let them fall down, and the high pressure water ejector into the drum screen will prevent the thin papers and rests in general from sticking at its surface.




